
Como se puede ver tenemos un pulsador de parada ( pp ), que es normalmente cerrado. Otro pulsador de marcha ( pm )que es normalmente abierto. Arranque de motor trifásico en estrella triángulo por contactores. automatismo por contactores en estrella triángulo. conexión estrella triángulo a contactores. Armado el circuito procedemos a comprobar:
Dibujos Para Noviembre, 13.5 MB, DIBUJA Y COLOREA DIBUJOS noviembre | dibujos para niños 💓⭐ MY BEST DRAWINGS of november | drawings, 09:50, 97, Magic Ipad Art, 2019-12-05T22:18:34.000000Z, 19, Excelente registro de lectura del mes de noviembre y dibujos para, materialeducativo.org, 720 x 960, jpeg, , 20, dibujos-para-noviembre, Zadania lekcyjne
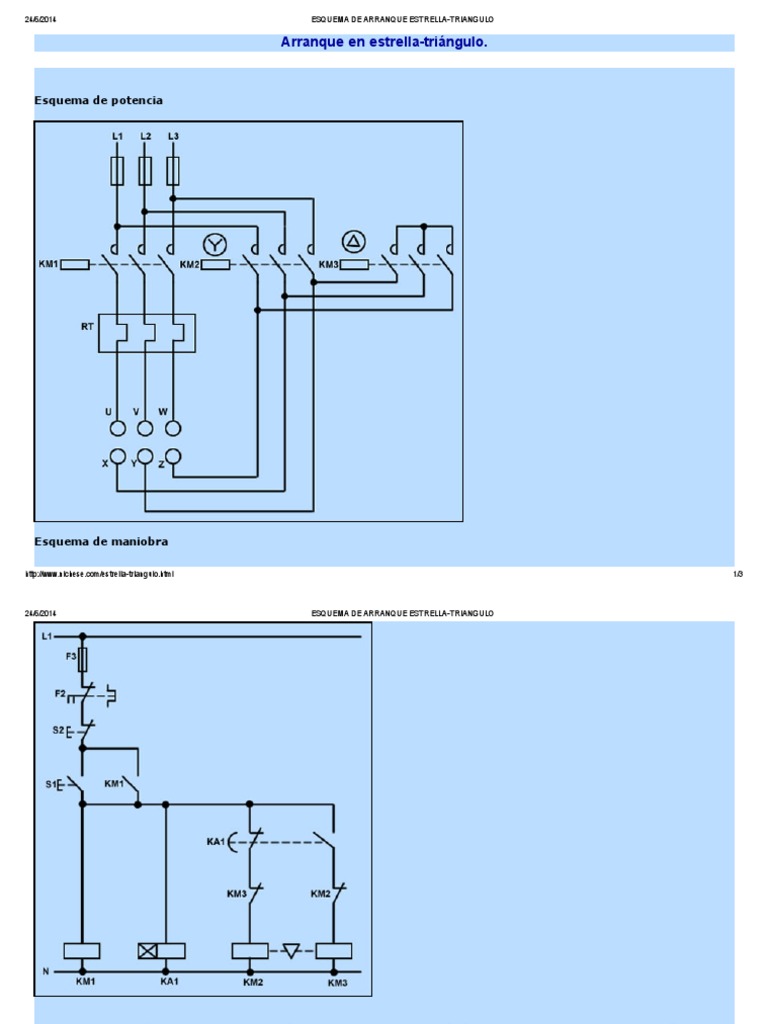
1) la retención de la energía en el circuito de mando de control, activando el mando de fuerza y a su vez el funcionamiento del motor en arranque en estrella. Arranque estrella tringulo cuando un motor arranca toma una corriente que es mucho mayor que la corriente nominal. Hay casos en que la corriente toma un valor de seis veces la corriente nominal. Este hecho produce cadas grandes en la tensin del sistema elctrico y la ingeniera ha buscado soluciones a este problema. Esquema de mando 1. Arranque estrella triangulo para el circuito de control se toma una de las fases l y se la conecta al disyuntor y éste al contacto auxiliar cerrado del relé térmico f el cual se encuentra en serie con el pulsador n. S0 que es el de paro, este a su vez se encuentra conectado en serie con el pulsador n. Pasos para cumplir el desafío: ¿en qué consiste el arranque estrella?
⚡ Arranque Estrella Delta (Estrella Triangulo) de un motor Trifásico Último
Circuito Fuerza y Mando en Arranque Estrella Triángulo a Contactores. actualizar
Temas Arranque estrella triángulo, instalación conexión de maniobra.(2/10) viral
Discusión Cómo hacer un ARRANQUE ESTRELLA – TRIÁNGULO muy fácil. actualizar
Acerca de ESTRELLA TRIANGULO CON TEMPORIZADOR 3 Último
Viral ARRANQUE ESTRELLA TRIANGULO DE UN MOTOR TRIFASICO EN CADE SIMU actualizado
Actualmente – Diagrama y Explicación: Arranque Estrella Triangulo actualizar
Acerca de Cómo hacer un ARRANQUE ESTRELLA – TRIANGULO paso a paso. tendencias
Discusión Arranque Estrella Triángulo (Y-D) (Parte 2/2). Práctica Real tendencias
Veamos SIMULACION CADe SIMU | Arranque de motor trifásico ESTRELLA/TRIANGULO – Mando manual con pulsadores viral
Más sobre Arranque Estrella Triangulo Mando
en este video en este video se explica la conexión de un sistema de arranque estrella triangulo y el funcionamiento eléctrico. // saludos //
les dejo link de videos de electricidad:
centro de transformación media tensión : youtube.com/watch?v=zNWvnzKZFqQ
tablero trifásico con barra repartidora : youtube.com/watch?v=Ht2G3xdh_yE
conexión de temporizador : youtube.com/watch?v=e0fqbR-fcoI
tablero monofásico : youtube.com/watch?v=C0CtakDWcz0
foto célula : youtube.com/watch?v=6wbsyLUNcRM
instalación eléctrica de casa : youtube.com/watch?v=F_K1EhOmMK4
AUTOMATIZACION mando directo : youtube.com/watch?v=Z_eGQDM0nyE
AUTOMATIZACION inversión de giro : youtube.com/watch?v=FPoiQI4OMX8
Imágenes Esquema de mando Arranque Estrella-Triángulo. | Diagrama de circuito Último

Arranque Estrella/Triángulo – Capacitacion Técnica

Mira Esquema De Arranque Directo De Un Motor Trifasico – Reseñas Motor Último

Imprescindible SyZ Cominsa – Inspirando innovación en la ingeniería desde hace 20 años Último

Aquí Arranque Estrella/Triángulo – Capacitacion Técnica popular

Aquí Arranque estrella triangulo motor eléctrico

Asunto Práctica 6.1: Arranque estrella triángulo manual | Electroalmerienses tendencias

Aquí Arranque estrella triángulo | Formación para la Industria 4.0 Último

Discusión 180080755 68256279-arranque-estrella-triangulo-con-inversion-de-giro viral










